TB6鈦合金是一種近β鈦合金,國外牌號為Ti-10V-2Fe-3Ai,該材料具有較高比強度、良好的斷裂韌性、較高的淬透性、良好的切削性和抗腐蝕性等特點。廣泛應用于航空航天領域,例如飛機渦輪盤、飛機起落架和直升機旋翼系統,國內航空領域TB6鈦合金主要應用于直升機領域鍛件⑴。TB6鈦合金鍛件常用固溶時效熱處理工藝,固溶溫度、淬火冷速和時效溫度是影響鍛件性能的主要參數,陳威⑵等人研究了單級時效和雙級時效工藝的影響;王文婷⑶等人研究了低溫時效的影響;劉彬⑷等人研究了TB6鈦合金多重固溶時效熱處理工藝對鍛件的影響。

本文通過采用φ130 mm規格TB6鈦合金棒材改鍛為自由鍛件,研究固溶和時效熱處理的溫度對自由鍛件組織和性能的影響,最終獲得應用于鍛件生產交付的最優熱處理工藝,同時掌握熱處理工藝和組織性能的對應關系,便于鍛件組織性能不合格問題處理。
1、試驗材料及方法
1.1 試驗用料
試驗用料為φ130 mm規格棒材經鍛造后的自由鍛件,自由鍛件尺寸為200 mm X 100 mm X60 mm,對應鍛造方向為LxLTxST。材料化學成分如表1所示。檢測材料相變點為806℃。

1.2 試驗方法
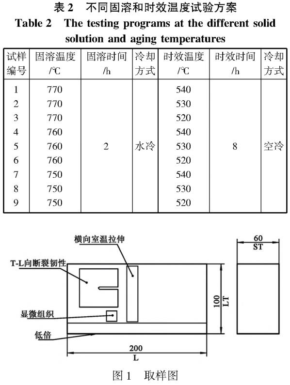
根據鍛件規范要求鍛件采用兩相區熱處理,固溶選取Tβ-(30 ~60℃),水淬。時效選取510~540℃,空冷。鍛件規范中要求的熱處理時間變化對鍛件性能影響較小,因此本試驗未選取不同時間對比的工藝試驗。本試驗中選取不同固溶和時效溫度試驗方案如表2所示,固溶溫度選取770°C、760℃、750℃,時效溫度選取 540℃、530C、520°C。
按GJB 2744A—2007標準檢測鍛件,檢測項目和取樣方案見圖1,力學性能試樣取自截面中心。室溫拉伸選用φ5 mm X 50 mm試樣,試驗方法按照GB/T 228. 1—2010要求;斷裂韌性試樣采用B =25 mm,試驗方法按照GB/T 4161—2007要求;顯微組織和低倍試驗方法按照GB/T 5168—2008要求。

2、結果與分析
2.1 固溶和時效溫度對力學性能的影響
圖2為TB6鈦合金自由鍛件經過不同固溶和時效溫度熱處理后的力學性能。在相同的時效溫度下,隨著固溶溫度從770℃下降到750℃,可以看出,圖2(a)中抗拉強度呈下降趨勢,主要趨勢為固溶溫度每降10℃,抗拉強度下降約10 MPa;圖2(b)和圖2(c)中斷后伸長率和斷裂韌性呈上升趨勢,固溶760℃較770℃斷后伸長率明顯上升約2%,斷裂韌性明顯上升5 MPa ?m1/2 ;固溶750C較760C斷后伸長率和斷裂韌性略有上升,分別上升約1%和2 MPa ?m1/2。
在相同的固溶溫度下,隨著時效溫度從520℃升高到540℃ ,可以看出,圖2(a)抗拉強度呈下降趨勢,時效溫度每升高10℃,抗拉強度下降約40 ~50 MPa;圖2(b)中斷后伸長率略有升高趨勢;圖2(c)中時效520℃升高至530℃時斷裂韌性略有升高,約3 ~5 MPa ? m1/2左右,但當時效溫度由530C升高至540C時斷裂韌性明顯升高約 5 ~10 MPa ?m 1/2 。

2.2 固溶和時效溫度對高低倍組織的影響
在相同固溶溫度情況下,不同時效溫度的鍛件低倍無不同之處。在相同時效溫度下,不同固溶溫度的鈦鍛件低倍有不同之處。圖3為分別在770°C、760°C、750°C固溶后520°C時效的低倍組織,可以看出固溶溫度越高晶粒越粗越清晰,遵循溫度升高晶粒長大的普遍規律。自由鍛件中間變形量大,形成拉長晶粒,低倍評級均滿足GJB2744A—2007中4級要求。
高倍組織如圖4和圖5所示,均為兩相區組織,由時效β基體和球狀或條狀初生α相組成,均滿足GJB 2744A—2007中2類組織,初生α相含量均滿足不低于10%。原始β晶粒邊界未出現連續的、平直的α相網格,未出現粗大的晶界α相組織。在固溶溫度760℃時,不同時效溫度520°C、530°C、540°C情況下,高倍組織如圖4所示,隨著時效溫度的降低,初生α相含量略有降低。在時效溫度530C時,不同固溶溫度770℃、760°C、750°C情況下,高倍組織如圖5所示,固溶溫度每降低10℃,初生α相含量增加約5% ~10%。


3、結論
(1)固溶溫度每降低10℃時,抗拉強度下降約10 MPa,斷后伸長率升高約1% ~2%,斷裂韌性升高約2~5 MPa,高倍組織中初生s相含量增加約5% -10%,低倍組織中晶粒略有變細。
(2) 時效溫度每升高10℃時,抗拉強度下降約40 -50 MPa,斷后伸長率略有升高;時效溫度520℃升到530 ℃時斷裂韌性升高約3~5MPa. m1/2,時效溫度530℃升到540℃時,斷裂韌性升高約5 ~10MPa. m1/2,時效溫度對高低倍組織影響較小。
(3) 固溶選用750 ~760°C水冷,時效選用520℃~530℃空冷,室溫拉伸和斷裂韌性具有較好的匹配性,低倍晶粒較細,高倍組織中初生α相較多。
參考文獻
[1]劉曉豐,田雅馨,鄒靜,等.直升機關鍵金屬TB6鈦合金的劃傷、沖擊缺陷容限性能[J],科學技術與工程,2019, 19 (29): 349 -355.
[2]陳威,孫巧艷,肖林,等.時效工藝對TM023合金微觀組織和力學性能的影響[J].稀有金屬材料與工程,2011, 40 (4) : 708 -713.
[3]王文婷,李沛,寇文娟,等.時效溫度對TM023和TM553合金微觀組織與析出硬化的影響規律[J].稀有金屬材料與工程,2020, 49 (5) : 1707-1714.
[4]劉彬,黃旭,黃利軍,等.TB6鈦合金多重固溶時效熱處理工藝研究[J].稀有金屬,2009, 33(4) : 489 -493.
相關鏈接
- 2023-05-07 TB6鈦合金棒等溫鍛后熱處理工藝研究
- 2023-03-07 利泰金屬定制航空化工用TC4鈦鍛件 TC11鈦鍛件 TA15鈦鍛件
- 2023-02-27 航空工程用TB15鈦合金鍛件的力學性能
- 2023-02-26 鍛造工藝對航空用TC17鈦合金鍛件組織性能的影響
- 2023-02-15 利泰金屬定制鈦合金鍛件 TC4鈦合金葉輪 TC11鈦葉輪 按圖紙制造
- 2023-02-14 海洋工程用超大規格Ti80鈦合金鍛坯制備研究
- 2023-01-27 定制石油艦船制造用TC4鈦鍛件 TC11鈦鍛件 TA15鈦鍛件
- 2023-01-18 鍛造工藝對鈦合金葉輪鍛件組織性能的影響
- 2023-01-07 利泰金屬定制鈦合金板 鈦靶合金棒 TC4鈦環 材質保證 按圖紙定制
- 2023-01-05 激光增材制造TC11鈦合金鍛件的耐蝕性研究

